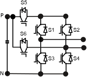
高效的H6拓撲,解決了傳統橋式拓撲用于非隔離系統存在的逆變效率低、共模電流大等問題。但在實際的電路開發中,單相光伏并網逆變器主要是用650V、40A的IGBT,目前在市面上經常使用仙童FGH40N60SFD的型號參數應用。在國內有有比較好的IGBT能替代該型號參數的嗎?
如何選擇電子產品來代替使用呢?一定要注意產品質量,畢竟產品不行的話,直接影響自己的光伏逆變器。所以如何在國內找到能夠替代仙童FGH40N60SFD完美使用的IGBT是很重要的。
這個問題對于任何一家基于H6橋的單相光伏并網逆變器廠家而言都是重要的。今天飛虹電子就來回答對于基于H6橋的單相光伏并網逆變器,要使用什么IGBT型才能適配電路這一問題。
其實對于基于H6橋的單相光伏并網逆變器,我們推薦使用飛虹電子的FHA40T65A。畢竟FHA40T65A是可以替代FGH40N60SFD等IGBT的產品型號參數。
為何?因為FHA40T65A具備高可靠性,擁有反向并行的快恢復二極管,Trench Field Stop Ⅱ technology(拖尾電流非常短,出色的Vcesat飽和壓降,關斷損耗低),替換FGH40N60SFD,單相光伏并網逆變器IGBT替代型號擁有正溫度系數。
從上述特點可知,這一款40A、650V電流、電壓的FHA40T65A型號IGBT單管參數是很適合使用在高頻車載AC220V逆變器的電路上。
目前在應用中,我們基于H6橋的單相光伏并網逆變器研發工程師一定要了解優質FHA40T65A國產型號的詳細參數:其具有650V、40A, VCEsat典型值:1.51V,<1.85V;ID (Tc=100℃):40A;BVdss:650V;IF(A)(Tc=25℃):40;IF(A)(Tc=100℃):20。

FHA40T65A是一款場N溝道溝槽柵截止型IGBT,使用Trench Field stop Ⅱ technology 和通過優化工藝,替換FGH40N60SFD,單相光伏并網逆變器IGBT替代型號來獲得極低的 VCEsat 飽和壓降,并在導通損耗和關斷損耗(Eoff)之間做出來良好的權衡。
目前FHA40T65A型號IGBT單管已經廣泛適用于基于H6橋的單相光伏并網逆變器、光伏逆變器、戶外儲能電源、高頻車載正玄波AC220V逆變器、UPS、變頻器、電焊機和工業縫紉機等各類硬開關。可替代其它品牌型號:仙童FGH40N60SFD。
FHA40T65A的封裝形式是TO-3PN。這款產品參數:Vcesat-typ (@Ic=40A):1.51V;ID(A):40;BVdss(V):650、Vge(±V):30;。
在產品應用上,對于基于H6橋的單相光伏并網逆變器的的電路我們可以使用FHA40T65A型號的IGBT。
基于H6橋的單相光伏并網逆變器已經廣泛應用于分布式發電系統中。因此對于基于H6橋的單相光伏并網逆變器如何在元器件上面提升產品質量,除選用FGH40N60SFD型號外,還可以用飛虹半導體的國產型號:FHA40T65A型號參數來替代。
飛虹電子主要經營IGBT、MOS管、場效應管、三極管等半導體器件。目前已取得美國GE、陽光照明、紐福克斯、雷士照明、易事特、茂碩、金萊特、華藝、佛山索爾等優質客戶的認可與應用。致力為國內及全球電子廠商提供優質的配套服務。除提供免費試樣外,更可根據客戶需求進行量身定制IGBT產品。
直接百度輸入“飛虹IGBT廠家”即可找到我們,免費試樣熱線:400-831-6077。